
1 Electrical turbocharger guide vane adjustment actuator
2 Actuator lever
At the time of going to press, installed in the 1.8L Duratorq-TDCi (Kent) diesel engine only. The purpose and internal functioning are similar to the installed actuator in the Delphi common rail system.
However, the type of control differs. Two types are used in the Siemens common rail system:
• Actuation of the actuator unit via a separate line,
• Complete regulation by the PCM.
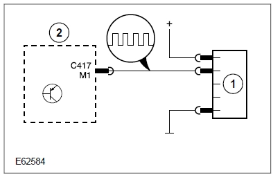
Actuation via a separate line

1 Electrical turbocharger guide vane adjustment actuator
2 PCM
The actuator is activated by PWM signals via separate wiring through the PCM. The actuator control unit then activates the servo motor accordingly. The position sensor detects the current position of the guide vanes and communicates this position to the actuator control unit.
Effects of faults
Boost pressure control is no longer possible in the event of turbocharger guide vane adjustment actuator malfunctions. In this case, the engine output is restricted by means of a reduction in the injected fuel quantity. An implausible boost pressure is detected by the MAP sensor, and the turbocharger guide vane adjustment actuator then sets the guide vanes to the fully open position.
In case of a fault, the EGR system is switched off.
Diagnosis
The monitoring system of the turbocharger guide vane adjustment actuator consists of direct and indirect monitoring.
Direct monitoring:
• Monitoring of the PCM/actuator wiring for short circuits to ground and positive.
• The integrated diagnosis in the control unit of the actuator detects malfunctions in the actuator and PWM as well as voltage supply outside the standard range.
Indirect monitoring:
• Indirect monitoring is performed via the MAP sensor. In the process, the engine management system checks whether the currently required boost pressure is actually being provided.
• An open circuit (open control loop) in the signal wire from the PCM to the actuator cannot be detected by the PCM. However, an open circuit leads to an implausible boost pressure which then results in the guide vanes of the turbocharger being set in the fully open position (minimal boost pressure). The pressure deviation is detected by the MAP sensor and a relevant DTC is stored.
It is therefore a MIL active component.