
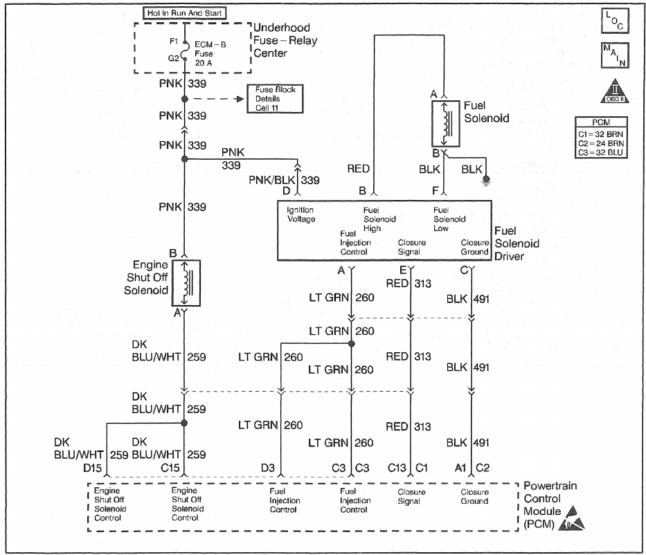
Circuit Description
The PCM has the ability to put the vehicle in an ESO controlled idle if an engine overspeed condition has been detected.
Conditions for Running the DTC
The engine is operating.
Conditions for Setting the DTC
An RPM drop with 5 ESO cycles.
Action Taken When the DTC Sets
• ESO controlled idle (the PCM will control RPM by turning the ESO ON and OFF. RPM will fluctuate
from 800 to 1200 when DTC is set).
• The PCM will not illuminate the malfunction indicator lamp (MIL).
• The PCM records the operating conditions at the time the diagnostic fails. This information will store in the Failure Records.
Conditions for Clearing the MIL/DTC
• A History DTC clears after forty consecutive warm-up cycles, if this or any other emission related diagnostic does not report any failures
• The use of a scan tool.
Diagnostic Aids
This DTC will not set if an external fuel source is causing an overspeed condition. A DTC P1216 will set along with DTC P0219.
Test Description
Number(s) below refer to the step number(s) on the Diagnostic Table.
2. The injection pump is being replaced in this step.
