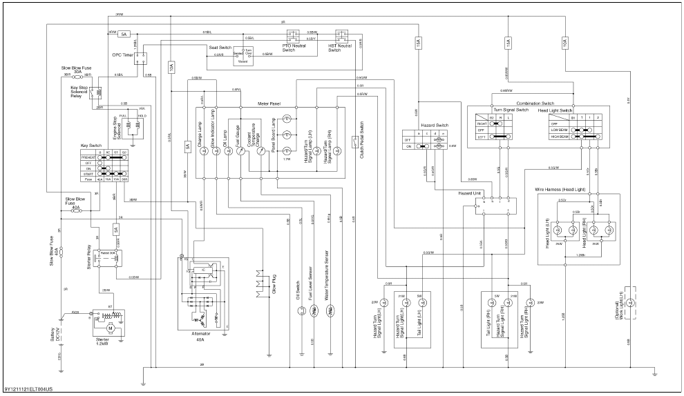
Home » KUBOTA » L2501 » KUBOTA – L2501 – ELECTRICAL SYSTEM – ELECTRICAL CIRCUIT – HST TYPE

KUBOTA – L2501 – ELECTRICAL SYSTEM – ELECTRICAL CIRCUIT – HST TYPE