1. Set a dial indicator with its tip on the end of the crankshaft.
2. Measure the side clearance by moving the crankshaft to the front and rear.
3. If the measurement exceeds the allowable limit, replace the thrust bearings.
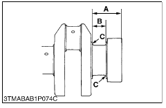
4. If the same size bearing is useless because of the crankshaft journal wear, replace it with an oversize one referring to the table and figure.

(Reference)
• Oversize dimensions of crankshaft journal


