
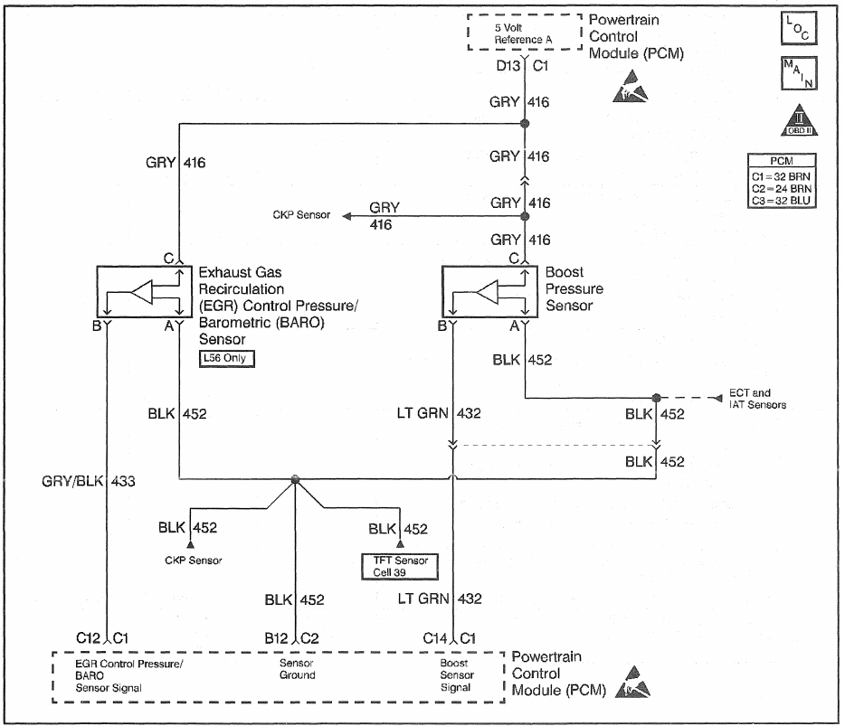
Circuit Description
The PCM operates a solenoid to control boost. This solenoid is normally open. By providing a ground path the PCM energizes the solenoid which then allows vacuum to pass to the wastegate valve. During normal operation, the PCM compares its wastegate duty cycle signal with the boost signal and makes corrections in the duty cycle accordingly.
Conditions for Running the DTC
• The PCM performs this DTC diagnostic continuously.
• Engine speed less than 3506 RPM.
Conditions for Setting the DTC
• The boost pressure is more than or equal (202 kPa).
• All diagnostic set conditions were met for 2 seconds.
Action Taken When the DTC Sets
• The PCM will limit boost pressure.
• The PCM illuminates the malfunction indicator lamp (MIL) on the second consecutive drive trip that the diagnostic runs and fails.
• The PCM records the operating conditions at the time the diagnostic fails. The first time the diagnostic fails, the Failure Records will store this information. If the diagnostic reports a failure on the second consecutive drive trip, the Freeze Frame records the operating conditions at the time of failure and updates the Failure Records.
Conditions for Clearing the MIL/DTC
• The PCM will turn the MIL off after three consecutive trips without a fault condition.
• A History DTC clears after forty consecutive warm-up cycles, if this or any other emission related diagnostic does not report any failures
• The use of a scan tool.
Diagnostic Aids
Very little boost can be attained by revving the engine in neutral.
An intermittent may be caused by the following:
• Poor connections.
• Rubbed through wire insulation.
• Broken wire inside the insulation.
Test Description
Number(s) below refer to the step number(s) on the Diagnostic Table.
3. This step will determine if the PCM is responding to a low signal voltage. This will indicate that the PCM is OK.
9. If the scan display is still less than or equal to 9 kPa by disconnecting the PCM the short to voltage is in the wiring.
10. If the voltmeter value stays the same by disconnecting the PCM the short to battery voltage is in the wiring.

