Removal Procedure
1. Loosen the upper intake manifold cover bolts.
2. Remove the upper intake manifold cover.

3. Open the air bleed valve on top of the fuel manager/filter to release any pressure in the fuel supply system.

4. Remove the mounting bolts that connect the fuel manager/filter to the intake manifold.

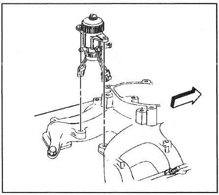
5. Remove the wiring harnesses and the fuel hoses.
6. Remove the fuel manager/filter by lifting straight up.

7. Remove the sensor mounting screws.

8. Remove the sensor.

Installation Procedure
1. Install the new water in fuel sensor and a new water in fuel sensor seal.

Notice : Refer to Fastener Notice in Cautions and Notices.
2. Install the sensor mounting screws.
Tighten
Tighten the mounting screws to 2 N-m (13 lb in).

3. Position the fuel manager/filter to the intake manifold.
4. Install the wiring harnesses and fuel hoses.

5. Install the mounting bolts that connect the fuel manager/filter to the intake manifold.
Tighten
Tighten the mounting bolts to 25 N-m (18 lb ft).
6 . Bleed the air from fuel manager/filter if necessary (Refer to Fuel Feed and Fuel Return Pipe Purge Procedure.

7. Install the upper intake manifold cover.
8. Install the upper intake manifold cover bolts.
Tighten
Tighten the upper intake manifold cover bolts to 11 N-m (100 lb in).
