1. Turn on the turn signal switch (2) or hazard switch (3).
2. Count the number of blinking.
3. If the factory specification is not indicated, replace the flasher unit.
![]()

![]()
Diesel Engines Troubleshooting
Diesel Engines Repair
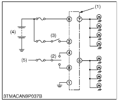
1. Turn on the turn signal switch (2) or hazard switch (3).
2. Count the number of blinking.
3. If the factory specification is not indicated, replace the flasher unit.
![]()

![]()