1. Connect the battery negative code, then measure the voltage across the a terminal and chassis.
2. If the voltage differ from the battery voltage, the wiring harness is faulty.
![]()

![]()
Diesel Engines Troubleshooting
Diesel Engines Repair
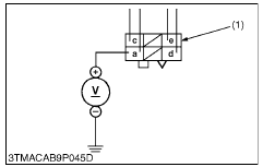
1. Connect the battery negative code, then measure the voltage across the a terminal and chassis.
2. If the voltage differ from the battery voltage, the wiring harness is faulty.
![]()

![]()